Vyvážecí vlek 10Ux/UxWD
Vyvážecí vlek 10Ux/UxWD
- Dostupnost:Na vyžádání
- Objednávky a dotazy:+420 606 791 775
- Napište nám
Základní vlastnosti
- Všechny vleky jsou vyráběny z materiálu s certifikátem STRENX (jde o vysokopevnostní ocel, výrobky jsou stále pevné a přesto lehké).
- Záruka je 3 roky.
Popis
Modelová řada Palms obsahuje stroje vhodné pro každou potřebu. Výhodou je volitelnost různých prvků výbavy k daným vlekům.
První vlek s hydraulickou rukou byl vyroben ve společnosti PALMS v roce 1995. To ze společnosti dělá jednu z nejstarších společností ve výrobě lesní techniky v Estonsku. Hlavním posláním firmy PALMS je vyrábět stroje, které jsou vhodné pro náročnou každodenní práci.
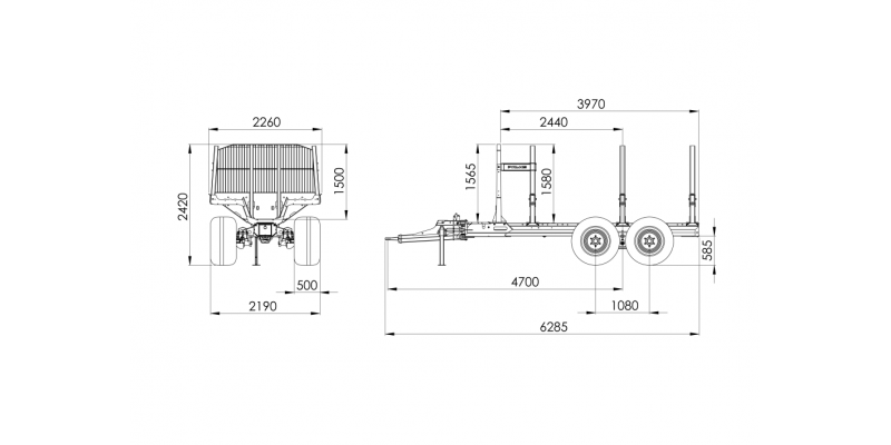
Technické parametry / porovnání s ostatními typy:
| VLEK | PALMS 2D | PALMS 6S | PALMS 8SX | PALMS 8D/DWD | PALMS 9SC | PALMS 10D/ DWD | PALMS 12D/DWD | PALMS 14D/DWD | PALMS 10Ux/UxWD | PALMS 11Ux/UxWD | PALMS 12U/UWD/UAWD | PALMSE 15U/UWD/UAWD |
| možné spojení s | PALMS 1.42 | PALMS 2.42 2.54 3.63 | PALMS 2.54 3.63 3.67 | PALMS 3.67 4.71 5.75 a 5.85 jen se 195bar | PALMS 3.67 4.71 5.75 5.85 | PALMS 3.67 4.71 5.75 5.85 5.87 Z | PALMS 4.71 5.75 5.85 7.78 7.87 7.94 5.87 Z | PALMS 4.71 5.75 5.85 7.78 7.87 7.94 X100 5.87 Z | PALMS 4.71 5.75 5.85 7.78 7.87 7.94 5.87 Z | PALMS 4.71 5.75 5.85 7.78 7.87 7.94 5.87 Z | PALMS 5.75 5.85 7.78 7.87 7.94 X100 5.87 Z | PALMS 5.75 5.85 7.78 7.87 7.94 X100 5.87 Z |
| Otáčení oje, ° | ± 40 | ± 40 | ± 40 | ± 40 | ± 40 | ± 40 | ± 40 | ± 40 | ± 40 | ± 40 | ± 40 | ± 40 |
| Počet pístnic na otoči | 1 | 1 | 2 | 2 | 2 | 2 | 2 | 2 | 2 | 2 | 2 | 2 |
| Ložná plocha, m2 | 0,6 | 1,5 | 2,0 | 2,0 | 2,15 | 2,4 | 2,7 | 3,0 | 2,4 | 2,4 - 2,9 | 2,75 | 3,2 |
| Rám, mm | 2x4mm C-nosník z oceli Strenx 700 | 140x140x6 | 160x160x8 | 2x(160x80x8) | 200x200x8 | 2x(200x100x8) | 2x(200x100x8) | 2x(200x120)x8 | MC/unibody | MC/unibody | MC/unibody | MC/unibody |
| Nápravy | 35x35 | 60x60-6 | 60x60-6 | 70x70-6 | 70x70-6 | 70x70-6 | 80x80-8 | 80x80-8 | 70x70-6 | 80x80-8 | 80x80-8 | 80x80-8 |
| max.celková hmotnost při 20 km/h, kg | 1 500 | 8 500 | 10 000 | 10 000 | 12 000 | 13 000 | 15 000 | 18 000 | 13 000 | 15 000 | 17 000 | 19 000 |
| Šířka se standardními koly, mm | 1 285 | 1 950 | 2 070 | 2 050 | 2 135 | 2 165 | 2 350 | 2 450 | 2 260 | 2 312 | 2 245 | 2 450 |
| Celková délka, mm | 3 865 | 5 125 | 5 690 | 5 780 | 6 095 | 6 200 | 6 200 | 6 300 | 6 285 | 6 285 | 6 215 | 6 415 |
| Délka ložné plochy, mm | 2 450 | 3 000 | 3 550 - 4085 | 3 680 - 4 215 | 3 870 - 4 570 | 3 975 - 4 825 | 3 975 - 4 825 | 4 080 - 4 940 | 3 970 - 5 108 | 3 976 - 5 114 | 3 990 - 4 099 | 4 175 - 4 284 |
| Prodloužení ložné plochy, mm | x | x | 535 | 535 | 700 | 850 | 850 | 860 | 1 138 | 1 138 | 1 138 | 1 085 |
| Hmotnost vleku (bez výbavy), kg | 260 | 890 | 1 180 | 1 350 | 1 425 | 1 765 | 2 030 | 2 375 | 2 270 | 2 320 | 2 270 | 2 545 |
